门窗报警器的原理是什么
今天小编为大家介绍一下门窗报警器原理,感兴趣的朋友们一起来了解一下吧装修经验!
门窗报警器是一种方便实用的安全防护装置,是日常工作和生活中非常适用的“门窗电子狗”,当关闭的门窗被意外打开时,该报警器立即会连续发出尖锐而响亮的报警声予以警告,直到门窗再次被关闭为止。
目前的门窗报警器主要有两类,一类是利用电磁原理制作而成的磁控门窗报警器,另一类是利用红外线制作而成的门窗报警器,其原理是大同小异的。
门窗报警器原理

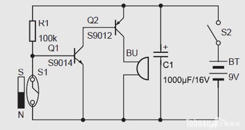
磁控门窗报警器电路图
电路图说明:S1为常开型干簧管,需与磁铁配合工作。Q1为NPN 型三极管,Q2为PNP型三极管。Q2的发射结是Q1的负载,而Q1又为Q2提供基极工作电流。BU为高响度有源蜂鸣器(内含振荡电路),是整个电路的报警发声器件。R1是偏置电阻,为Q1的正常工作提供偏置电流。C1为交流旁路电容器,主要用来减小电池BT的交流内阻,使蜂鸣器发声更响亮,并具有一定的延长电池使用寿命的作用。S2为小型普通单刀单掷拨动开关,控制着整个电路工作。BT为9V电池,为整个电路提供工作电源。
当磁铁离开常开型干簧管S1一定距离时,S1断开。NPN型三极管Q1的基极电位上升,当Q1处于正偏置时,Q1进入导通状态。这时PNP型三极管Q2因得到Q1提供的基极工作电流也处于导通状态,导致高响度有源蜂鸣器BU得电而开始鸣叫报警。
当磁铁靠近常开型干簧管S1时,S1闭合,NPN 型三极管Q1的基极电位下降,Vbe几乎近似为零,Q1处于截止状态。这时,PNP型三极管Q2因失去Q1提供的基极工作电流而处于截止状态,导致高响度有源蜂鸣器BU 失电而停止鸣叫。
红外线门窗报警器的电路原理稍微复杂一点,但是简单来说就是通过红外线感应器检测到人体靠近时会产生电脉冲并传输给主控制器,主控制器传送信号给报警装置,然后发出报警声。
以上就是小编带来的门窗报警器原理的介绍了,希望可以帮助到大家更好的了解门窗报警器原理。》》》门窗报警器哪个好,门窗报警器怎么安装

APP
微信